In Australia, annual barley production is second only to wheat, with 7-8 million tons grown per year. Powdery mildew is one of the most important diseases of barley and a new project has opened the way for the development of new lines of barley with resistance to powdery mildew.
University of Adelaide
Senior Research Scientist Dr. Alan Little and colleagues have discovered the composition of special growths on the cell walls of barley plants that block the penetration of the fungus into the leaf.
"Powdery mildew is a significant problem wherever barley is grown around the world," says Dr. Little. "Growers with infected crops can expect up to 25% reductions in yield and the barley may also be downgraded from high quality malting barley to that of feed quality, with an associated loss in market value. In recent times we've seen resistance in powdery mildew to the class of fungicide most commonly used to control the disease in Australia. Developing barley with improved resistance to the disease is therefore even more important."
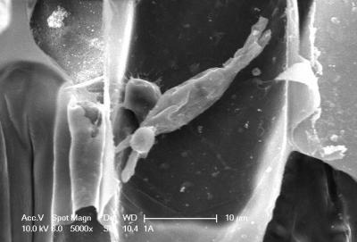
Scanning electron microscope image of a fungal haustorium (Blumeria graminis f. sp. hordei) taken from inside the barley epidermal cell. Image by Jamil Chowdhury, University of Adelaide
The discovery means researchers have new targets for breeding powdery mildew resistant barley lines.
"Powdery mildew feeds on the living plant," says Little. "The fungus spore lands on the leaf and sends out a tube-like structure which punches its way through cell walls, penetrating the cells and taking the nutrients from the plant. The plant tries to stop this penetration by building a plug of cell wall material – a papillae – around the infection site. Effective papillae can block the penetration by the fungus.
"It has long been thought that callose is the main polysaccharide component of papilla. But using new techniques, we've been able to show that in the papillae that block fungal penetration, two other polysaccharides are present in significant concentrations and play a key role.
"It appears that callose acts like an initial plug in the wall but arabinoxylan and cellulose fill the gaps in the wall and make it much stronger."
In his PhD project, Jamil Chowdhury showed that effective papillae contained up to four times the concentration of callose, arabinoxylan and cellulose as cell wall plugs which didn't block penetration.
"We can now use this knowledge find ways of increasing these polysaccharides in barley plants to produce more resistant lines available for growers," says Dr Little.
Source: University of Adelaide





Comments