The structural components of advanced reactors such as the sodium fast reactor and the traveling wave nuclear reactor must be able to withstand the extreme levels of radioactivity from the fission reaction itself, at temperatures well above 400 Celsius. Standard tests of such components are expensive, require increasingly rare test reactors and test periods that are impractical. In addition, the samples themselves also become radioactive making subsequent studies and examination time consuming and expensive.
Nonetheless, understanding how these structural components are affected by radiation at the microscopic level is critical to building long-lasting, robust and safe nuclear reactors.
By demonstrating the power of high-energy beams of charged particles (ions), which can rapidly and consistently damage samples of ferritic-martensitic steel, the material used in certain nuclear reactor components, researchers are able to replicate that seen when high-energy neutrons from a nuclear reactor interact with the material - damage accrues in a matter of days, rather than decades.

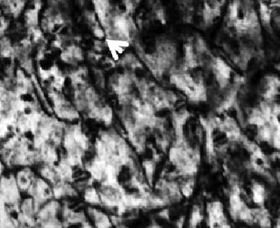
Bright field TEM images of line dislocations and loops of the irradiation microstructure in HT9 following Fe2+ irradiation. Credit:
DOI: 10.1016/j.scriptamat.2014.06.003
To demonstrate the proof of principle with ion beams instead of conventional reaction irradiation, the team of researchers preloaded reactor components of ferritic-martensitic steel with atoms of helium gas, to simulate alpha particles.
They irradiated the samples with an ion beam from a particle accelerator at 5 million electronvolts energy and a temperature of 460 degrees Celsius for several hours, and after which used transmission electron microscopy (TEM) to characterize the damage caused by the energetic ions penetrating the steel and observed microscopic holes (voids), dislocations and precipitates within the steel - none of which were present before ion irradiation.
Comparing this ion-beam damage with that seen in actual components of the same batch of steel used in a sodium fast reactor during the period 1985-1992, it was found that the types of defects (as well as their sizes and numbers) caused by neutron bombardment from the nuclear reaction to be closely reproduced by that with the ion beam experiments.
Lead author Gary Was hopes that their research will help develop "a stronger understanding of how to use ion irradiation to emulate neutron irradiation to enable the rapid development of new materials for advanced reactors as principal sources of clean energy".
With additional work, a rapid, standardized experimental procedure may be developed for the routine evaluation of materials, facilitating the creation of more resilient components for nuclear reactors of the not-so-distant future.




Comments